产品展示PRODUCT LIST
联系我们contact us
- 济宁卓力机械刮板机分公司
- 手机:13280082001
- 联系人:曹经理
- 电话:0537-2558089
- 邮箱:269628658@qq.com
- 地址:济宁市国家高新技术产业园区
刮板机中部槽抬高槽
来源:本站 发布时间:2019-02-12 访问量:1717
抬高槽 变线抬高槽 刮板机中部槽抬高槽 刮板机抬高槽,伟德国际韦德1946抬高槽 张家口刮板机中部槽抬高槽 山东矿机刮板机中部槽抬高槽 西北奔牛刮板机中部槽抬高槽 1.25米左抬高槽 1.25米右连接槽 咨询热线:132 8008 2001 曹经理 卓力竭诚为您服务!
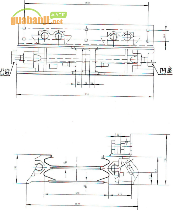
抬高槽分1.25米左抬高槽和1.25米右连接槽两种,它们分别用于连接机头、机尾过渡槽和中部段,起进一步过渡作用,使机头到中部段过渡更平缓,它们的末端各是一个加长的特殊齿条,以便于机组到机头或机尾时能行走到位(见附图9左抬高槽、10右连接槽),它们的结构相似,只是它们的抬高方向相对,连接槽的两边都是凸沿,以便使中部槽的凹座与机尾过渡槽的凹座连接起来。
山东矿机730系列伟德国际韦德1946变线抬高槽、抬高变线槽、变线槽、抬高槽
该变线抬高槽适用于煤矿井下用730系列伟德国际韦德1946的输送段,一端与伟德国际韦德1946的过渡槽连接,一端与伟德国际韦德1946的中部槽链接,其作用是将过渡槽的高度调节到输送机中部槽的高度,将机头架、过渡槽的宽度调整为中部槽的宽度。一般通过一整套的变线、抬高槽的调整,来实现整个的调整过程。
左I抬高槽 156S97/0101
左II变线槽 103S01/0813
左III抬高槽 103S01/0812
右I抬高槽 156S97/0102
右II变线槽 103S01/0814
右III联结槽 103S01/0819
附图9左抬高槽

10右连接槽

抬高槽分1.25米左抬高槽和1.25米右连接槽两种,它们分别用于连接机头、机尾过渡槽和中部段,起进一步过渡作用,使机头到中部段过渡更平缓,它们的末端各是一个加长的特殊齿条,以便于机组到机头或机尾时能行走到位(见附图9左抬高槽、10右连接槽),它们的结构相似,只是它们的抬高方向相对,连接槽的两边都是凸沿,以便使中部槽的凹座与机尾过渡槽的凹座连接起来。
山东矿机730系列伟德国际韦德1946变线抬高槽、抬高变线槽、变线槽、抬高槽
该变线抬高槽适用于煤矿井下用730系列伟德国际韦德1946的输送段,一端与伟德国际韦德1946的过渡槽连接,一端与伟德国际韦德1946的中部槽链接,其作用是将过渡槽的高度调节到输送机中部槽的高度,将机头架、过渡槽的宽度调整为中部槽的宽度。一般通过一整套的变线、抬高槽的调整,来实现整个的调整过程。
左I抬高槽 156S97/0101
左II变线槽 103S01/0813
左III抬高槽 103S01/0812
右I抬高槽 156S97/0102
右II变线槽 103S01/0814
右III联结槽 103S01/0819
附图9左抬高槽

10右连接槽



打印页面
关闭窗口