客户服务热线:13280082001
欢迎访问betvlctor伟德官方下载-刮板机生产制造厂家官方网站
联系我们contact us
  • 济宁卓力机械刮板机分公司
  • 手机:13280082001
  • 联系人:曹经理
  • 电话:0537-2558089
  • 邮箱:269628658@qq.com
  • 地址:济宁市国家高新技术产业园区
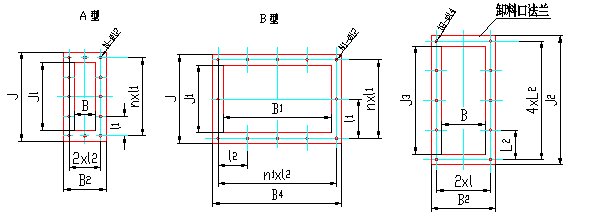
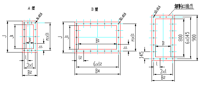
刮板机百科