产品展示PRODUCT LIST
联系我们contact us
- 济宁卓力机械刮板机分公司
- 手机:13280082001
- 联系人:曹经理
- 电话:0537-2558089
- 邮箱:269628658@qq.com
- 地址:济宁市国家高新技术产业园区
刮板机舌板/护板(护轴板,护链板)
来源:本站 发布时间:2019-04-24 访问量:3221

刮板机护板,也叫护轴板、护链板、舌板、舌板组件、溜子护板,适用于伟德国际韦德1946的机头和机尾部(转载机护板只位于机头部),与固定架、分链器配套使用,护板的使用有利于维修时固定架、分链器的拆卸,缩短维修时间。
护板的作用是填充机头轴或机尾轴与溜槽间的缝隙,防止卡煤块或掉煤粉。
刮板机护轴板结构特点:
在舌板的两端固定有相互对称并与舌板垂直的分链拨叉,在两个分链拨叉的中间向内对称设置有一拨叉螺栓,在分链拨叉的外侧分别设置有两个可套在输送机机头壳上的销轴上限位的叉套。
上述结构既满足了原设计的一护机、二分链、三挡货的要求,又具有结构简单、制作容易、安装、搬运方便,同时还具有易维护、保养、检修、更新方便等优点。
舌板组件分类:
按配套主机厂可以分为:张家口煤机舌板组件,山东矿机舌板组件,山西煤机厂舌板组件,西北奔牛舌板组件,郑煤机舌板组件等;
按配套机型可以分为:630刮板机舌板组件,730刮板机舌板组件,764刮板机舌板组件,830刮板机舌板组件等;
按使用位置可以分为机头舌板组件和机尾舌板组件;
按使用机型种类可以分为:刮板机舌板组件,转载机舌板组件。
刮板机护板型号:
40T护轴板,也叫护链板、护板、机头护板,适用于SGB620/40T型伟德国际韦德1946,位于伟德国际韦德1946的机头部分,与固定架、分链器配套使用,护轴板使用是为了方便更换分链器。
40TX型护板,也叫小40护板、护链板,适用于煤矿井下用SGB420/40TX型伟德国际韦德1946,具有方便拆卸、更换的优点。
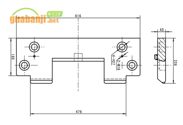
154S98/012303型护板,适用于煤矿井下用张家口SGZ800/800系列刮板机的机头传动部部分。图1
206S800102型护板,也叫护轴板、护链板、舌板,适用于张家口煤机系列刮板机的机头传动部部分。图2
72/01TD01舌板组件,该图号舌板组件是张家口煤机刮板机上常用的舌板组件。图3
30S08101TD04舌板组件,SZZ730/160顺槽用转载机用舌板组件。
164S13/02TD05舌板组件,与164S13/02TD04拔链器配套使用,主机型号是SGZ630/264刮板机。
167S010102舌板组件,该图号舌板组件是张家口煤机刮板机上常用的舌板组件。
150S020104、150S801201舌板组件是SZZ1000/400转载机机头用舌板组件,与150S801202拔链器配套使用。
162S13/02TD03 162S系列伟德国际韦德1946用机头舌板组件
图1 154S98/012303型护板尺寸图

图2 206S800102型护板,也叫护轴板、护链板、舌板尺寸图

图3 72/01TD01舌板组件 张家口煤机

图4
卓力主要产品:SGZ630、SGZ730、SGZ764、SGZ800、SGZ830、SGZ880、SGZ900、SGZ1000、SGZ1200、SGZ1250、SGZ1400综采伟德国际韦德1946用链轮轴组、链轮组件、综采大型中部槽;综采刮板、E型螺栓、横梁、哑铃销、日字环、卡块、锯齿环、弧齿环、链条;JS30、JS40、JS75型减速机;适用于薄煤层的SGB620/40T、SGB420/30、SGD420/22、SGD320/17B型伟德国际韦德1946系列整机及配件。


打印页面
关闭窗口